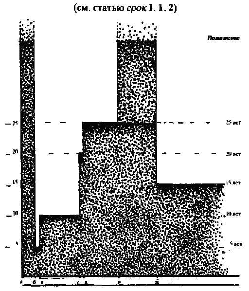
ИЗМЕНЕНИЯ ЗАКОННОГО И НЕЗАКОННОГО ПРЕДЕЛА СРОКА ЗАКЛЮЧЕНИЯ (см. статью срок I. 1, 2)

а. Октябрь 1917 г.
б. Декрет СНК от21 марта 1921 г. «О лишении свободы» («Известия». 25 марта 1921 г.)
в. Уголовн. кодекс РСФСР 1922 г.. ст. 34 и У.К. 1926 г., ст. 28.
г. Постановление ЦИК СССР от 8 авг. 1936 г. (СЗ 44:370).
д. Постановление ЦИК СССР от 2 окт. 1937 г. (СЗ 66:297).
е. Незаконная, нигде не опубликованная инструкция МВД СССР от 1948 г. К пожизненному тюремному заключению приговаривало лишь одно Особое совещание при МВД СССР).
ж. Уголовн. кодекс РСФСР 1960 г.. ст. 24 (но с последующей ссылкой - 20 лет. См. пересидчик).
Примечание: С первых лет сов. власти применяется продление срока ссылки или заключения. С начала 30-х гг. некот. лиц по отбытию срока арестовывают и повторно судят, а в политизоляторах ряд политических сидит бессрочно. С конца 50-х гг. это отменено, но изданный в 1983 г. указ дает начальнику места заключения право ходатайствовать перед местным судом о продлении срока заключения «неисправившимся» осужденным (см. Прилож. 12).